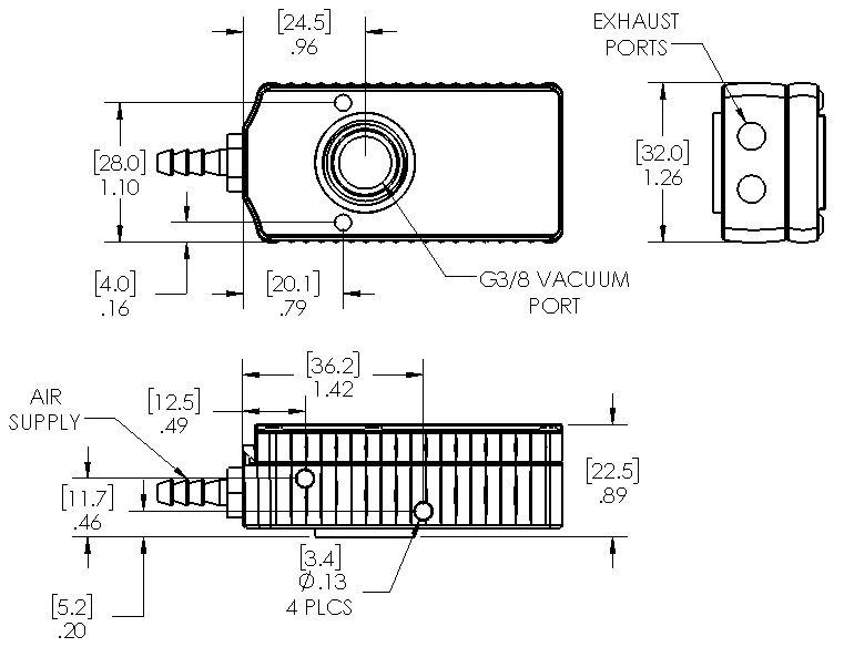
Item: VM5-NB - Mini multi stage vacuum generator. M5 air inlet, ... (Full Description below)
| |
Item#: VM5-NB Price: £34.56 ea.
|
Mini multi stage vacuum generator. M5 air inlet, 3/8 NPSF vacuum port. 1.23 scfm vacuum flow and 25.1 Hg
General Specifications
Vacuum Flow(SCFM): 1.2 Vacuum Port: 3/8" NPSF Supply Port: M5 Air Consumption: .42 Max Vac -inHg": 25 Weight(lbs)": 0.072
|
|
|
|
Additional Information
No additional information available for this item
CAD files for this Product