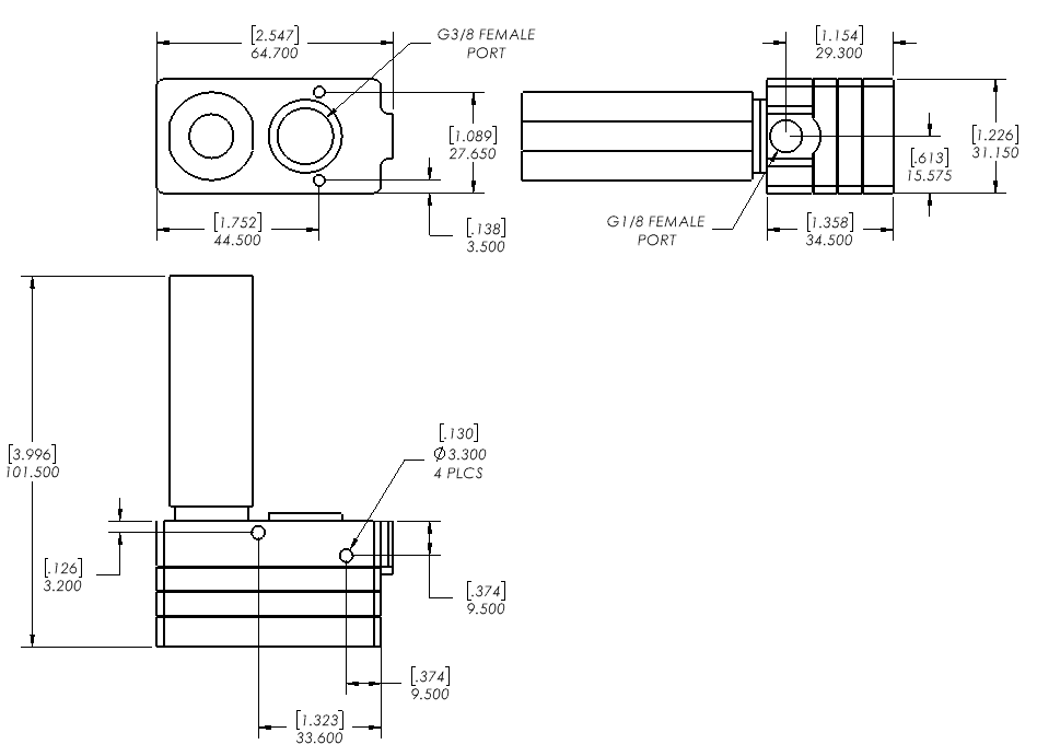
Item: VM30-NC - Mini multi stage vacuum generator. 1/8 NPSF air i... (Full Description below)
| |
Item#: VM30-NC Price: £80.72 ea.
|
Mini multi stage vacuum generator. 1/8 NPSF air inlet with 3/8 NPSF vacuum port. 8.05 scfm vacuum flow and 25.1 Hg
General Specifications
Vacuum Flow(SCFM): 8.1 Vacuum Port: 3/8" NPSF Supply Port: 1/8" NPSF Air Consumption: 4.41 Max Vac -inHg": 25.1 Weight(lbs)": 0.137
|
|
|
|
Additional Information
No additional information available for this item
CAD files for this Product